Elektronické obehové čerpadlo Wilo Stratos MAXO 80/0,5-12 s displejom, komunikačným rozhraním a úsporou energie. Pre použitie v vykurovacích a chladiacich systémoch. Viac informácií
U vás doma za 2 - 3 pracovné dni
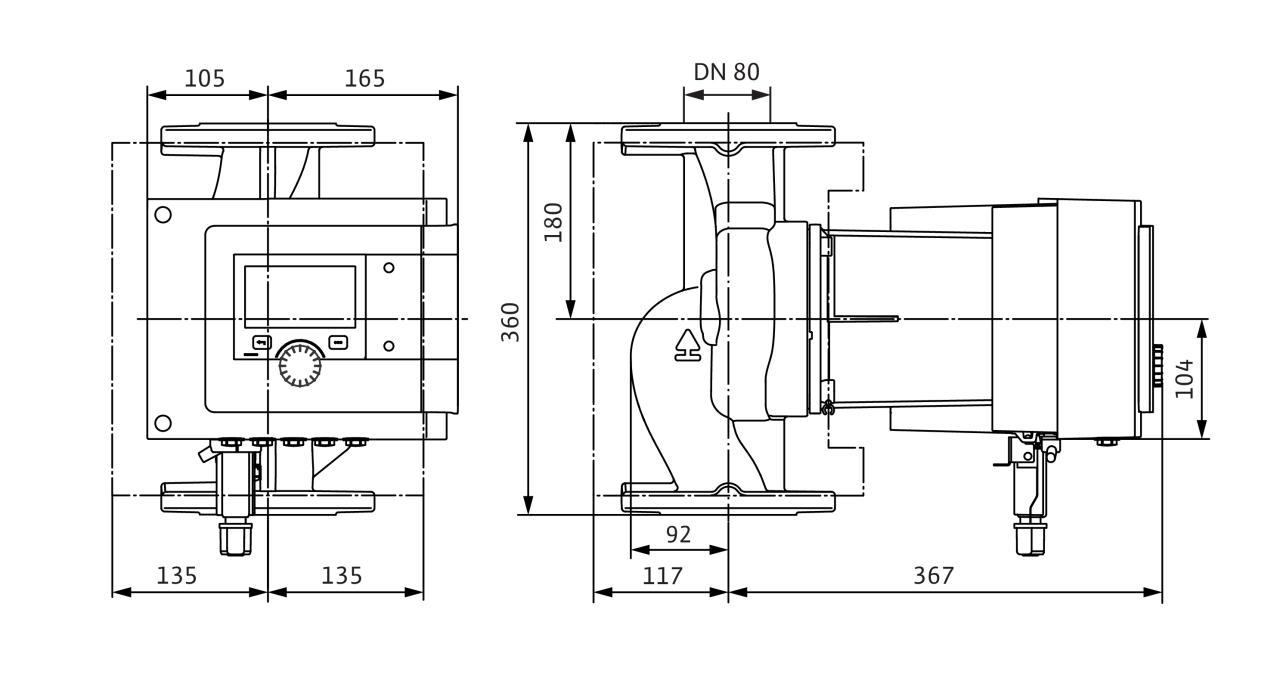
| Dopravná výška čerpadla | 12 m |
| Napájanie | 230 VAC |
| Prietok čerpadla | 55 m3/h |
| Stavebná dĺžka | 360 mm |
| Svetlosť čerpadla | DN 80 |
| Teplota kvapaliny | -10...110 °C |
| Tlak | 10 barov |
| Typ pripojenia | Príruba |
| Veľkosť pripojenia čerpadla | DN 80 |
| Hmotnosť | 36.20 kg |
Katalógový list k stiahnutiu
Stiahnuť PDFInteligentné obehové čerpadlá rady Stratos MAXO firmy Wilo sa radia medzi inteligentné čerpadlá budúcnosti. Elektronický displej s intuitívnym používateľským rozhraním ponúka jednoduché zapojenie a ovládanie čerpadla. Inovatívne riadiace funkcie a kombinácia najnovšej technológie senzorov prinášajú maximálnu efektívnosť a energetickú úspornosť. Vďaka obojsmernej konektivite je možné s čerpadlom komunikovať na diaľku pomocou smartfónu či tabletu a získať tak dáta aj z ťažko prístupných miest. Využitie čerpadla nájdu v systémoch vykurovaných teplou vodou, pri klimatizačných zariadeniach a uzavretých chladiacich okruhoch a v priemyselných obehových zariadeniach.
| Vykurovanie | Chladenie |
|---|---|
|
|
Tesnenie nie je súčasťou balenia.

Na Vaše otázky k produktom odpovedáme čo najrýchlejšie, zvyčajne do 24 hodín.
Nenašli ste to, čo ste chceli vedieť?